Доступные контрольные
Доступное образование
zachet.ca
zachet.ca
up
ТеХническая механика - Сетков В.И.
Решебник

Решебник "Сборника по технической механике" Сеткова В.И. состоит из двух разделов:
Глава 3. Статика сооружений.
     3.2. Графическое определение усилий в стержнях фермы постоением диаграммы Максвелла-Кремоны.


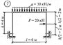
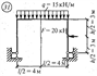
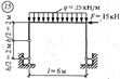
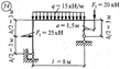
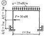
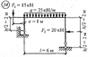
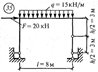
Задание для самостоятельной работы 9. Определить усилия в стержнях фермы путем построения диаграммы усилий Максвелла-Кремоны по одному из вариантов, показанных на рис.:
Скачать решебник Сетков В.И.
Сборник задач по технической механике.
Сетков В.И.


Книга содержит задания для расчетно - аналитических и расчетно -
графических работ по всем разделам курса технической механики.
Каждое задание включает описание решения задач с краткими
методическими указаниями, даны примеры решения.
В приложениях имеется весь необходимый справочный материал.

Издательство "Москва" 2003
Популярное на сайте:

Решебник сборника задач по теоретической механике Кепе О.Э.

Решебник сборника задач по теоретической механике Диевский В.А., Малышева И.А.

Решебник сборника задач по теоретической механике Тарг С.М.

Решебник сборника задач по физике Прокофьев В.Л.

Решебник сборника задач по химии Глинка Н.Л.

Решебник сборника задач по химии Шиманович И.Е.

Решебник сборника задач по материаловедению Гарбузова Н.Е.

Решебник сборника задач по технической механике Сетков В.И.


Вариант 1.
     Скачать решение.


Вариант 2.
     Скачать решение.


Вариант 3.
     Скачать решение.


Вариант 4.
     Скачать решение.


Вариант 5.
     Скачать решение.


Вариант 6.
     Скачать решение.


Вариант 7.
     Скачать решение.


Вариант 8.
     Скачать решение.


Вариант 9.
     Скачать решение.


Вариант 10.
     Скачать решение.


Вариант 11.
     Скачать решение.


Вариант 12.
     Скачать решение.


Вариант 13.
     Скачать решение.


Вариант 14.
     Скачать решение.


Вариант 15.
     Скачать решение.


Вариант 16.
     Скачать решение.


Вариант 17.
     Скачать решение.


Вариант 18.
     Скачать решение.


Вариант 19.
     Скачать решение.


Вариант 20.
     Скачать решение.


Вариант 21.
     Скачать решение.


Вариант 22.
     Скачать решение.


Вариант 23.
     Скачать решение.


Вариант 24.
     Скачать решение.


Вариант 25.
     Скачать решение.


Вариант 26.
     Скачать решение.


Вариант 27.
     Скачать решение.


Вариант 28.
     Скачать решение.


Вариант 29.
     Скачать решение.


Вариант 30.
     Скачать решение.


Вариант 31.
     Скачать решение.


Вариант 32.
     Скачать решение.


Вариант 33.
     Скачать решение.


Вариант 34.
     Скачать решение.


Вариант 35.
     Скачать решение.


Вариант 36.
     Скачать решение.
Как скачать решение сразу после оплаты узнай тут !!!
Обратная связь тут.