Доступные контрольные
Доступное образование
zachet.ca
zachet.ca
up
Решебник сборника Диевский В.А. - Малышева И.А.

Решебник сборника задач Диевского Малышевой состоит из трех разделов:
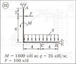
C3. Плоская система сил (система тел).

C3-22

Для представленной на схеме составной конструкции найти реакции опор. Размеры указаны  в метрах. Весом элементов конструкции пренебречь.

Безымянная страница
Сборник заданий по теоретической механике.
Диевский В.А., Малышева И.А.


Данный задачник предназначен для изучения методов решения типовых
задач по теоретической механике. В его состав вошли задания по пяти
темам статики, четырем темам кинематики и восьми темам динамики
каждая из которых содержит по 30 вариантов заданий. Пособие
представляет все разделы теоретической механики: "Статика",
"Кинематика", Динамика материальной точки и общие теоремы динамики",
"Основы аналитической механики" и "Малые колебания механических
систем и элементарная теория удара". Все задания имеют ответы.

Издательство "Лань" 2009 Санкт-Петербург
Мы Вам предлагаем
На нашем сайте Вы можете найти решебники и методички по теоретической механике и другим дисциплинам :
Кепе О.Э.
Решебник сборника задач по теорети-
ческой механике.
Тарг C.M
Решебник задач из методичек Тарга С.М.  1989 и 1988 годов издания
Прокофьев
Решебник задач по физике и сам задачник  Прокофьева В.Л
Шиманович
Решебники задачников и методички   по химии разных лет издания 
Для получения решения перейдите по ссылке.

Сразу после оплаты на Ваш
почтовый ящик придет ссылка для скачивания решения.

Стоимость решения - всего         руб.

60

Диевский C3-22
Теоретическая механика - Диевский В.А.
Возникли вопросы - пишите СЮДА
Как скачать решение сразу после оплаты узнай тут !!!